Submit this problem on Canvas as Assignment 1. If you used an AI as a Socratic tutor, submit a copy of your session leading to your solution and reflect on your session. If you did not need any help or worked with another student, explain your reasoning, do not just write down formulas.
In the below circuit, the switch has been closed for a long time before t = 0. The switch then opens at t = 0, and then closes at t = 100 μs. Find and plot vout(t).

In the below circuit, the switch has been open for a long time before t = 0. The switch is then closed at t = 0. Find the voltage across the capacitor at t = 60 ms.

(a) The circuit shown below is at steady state. The input currents are i1(t) = 10 cos(25 t) mA and i3(t) = 10 cos(25t + 135o) mA. Determine the voltage v2(t).

(b) The circuit shown below is at steady state. The inputs to this circuit are the current source current i1(t) = 0.12 cos(100 t + 45o) A and the voltage source v2(t) = 24 cos(100 t - 60o) V. Determine the current i2(t).

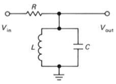
Let Vin = Re(V0exp(iωt)). Derive an expression for Vout/Vin as a function of frequency for the resonator circuit below and determine the resonant frequency and the phase shift of Vout at resonance from this expression.
